Агрегат предварительной очистки зерна АППЗ 100
Доступна покупка в ЛИЗИНГ
- Удаляет крупный мусор, соломистые, мелкие, минеральные и органические примеси, включая подгон.
- Предотвращает повышение влажности зерна при хранении.
- До 100 тонн в час при сухом зерне
- Идеальна при массовом поступлении урожая с полей.
- Подходит для зерновых, бобовых, крупяных и масличных культур.
- Справляется даже с культурами с высокой влажностью.
- Работает без сбоев в режиме 24/7.
- Минимальный риск травм и поломок
Машина АППЗ-100 предназначена для предварительной очистки зерновых, зернобобовых и других культур от примесей, отличающихся размерами фракций и аэродинамическими свойствами.
Устанавливают в составе технологических линий зерноочистительных комплексов сельскохозяйственных предприятий, элеваторов, мукомольных и крупяных производств.
Принцип действия и схема работы машины АППЗ-100:
В основе работы зерноочистительной машины АППЗ-100 реализован принцип отделения из зерна примесей, отличающихся от него аэродинамическими свойствами. Зерноочистительный сепаратор АППЗ-100 состоит из барабана и мощного пневмо-сепарирующего канала, к которому присоединено вспомогательное оборудование.
На входе в сепаратор присоединяется зернопровод, обеспечивающий поступление обрабатываемого материала в приемный бункер. Бункер выполнен с односторонним наклоном, в нём же установлена отбойная полоса, предотвращающая стирание стенки бункера потоком зерна при длительной эксплуатации.
Из приемного бункера зерновая масса самотеком попадает в решетчатый барабан, проходит его и поступает в камеру просеивания, где равномерно распределяется и через клапан-дозатор попадает в канал аспирации, в котором происходит очистка зерновой массы от мелких примесей. Крупные примеси выводятся через канал вывода крупных примесей.
После аспирационной очистки, очищенное зерно, через нижний лоток пневмосепарирующего канала, отводится либо в бункер-накопитель, либо в транспортирующее устройство в зависимости от технологической схемы очистки.
Извлеченные из очищаемого материала примеси, вместе с основным потоком воздуха проходят через встроенный в аспирационную систему циклона, осаждаются в нем, а воздух через вентилятор посредством воздуховодов выводится из помещения. Легкие примеси выводятся посредством шнека.

Высокая производительность, и при этом надежность и удобство в эксплуатации.
- Ситовой барабан новой конструкции и хорошо зарекомендовавший себя принцип совмещения с мощной системой аспирации обеспечивают высокую производительность сепаратора при малой занимаемой им площади.
- Предохранительные устройства надежно защищают персонал, а также предохраняют от нештатных ситуаций в работе машины.
Эксплуатационная надежность и долговечность.
- Непрерывная эксплуатация 24 часа в сутки 7 дней в неделю.
- Перфорированный ситовой барабан с надежным металлическим основанием отделяет примеси любого размера на входе.
- Облицовка материалом Поликерамопласт обеспечивает защиту от износа и шума.
- Регулировка количества аспирационного воздуха позволяет тонко настраивать процесс очистки под любую культуру. Клапан для плавной бесступенчатой настройки количества воздуха, а также пневмоаспирационный канал с изменяемым поперечным сечением и смотровым окном обеспечивает оптимальное качество очистки зерна.
- Поворотный отходный шнек.

Подготовка агрегата к использованию
- Перед установкой агрегата необходимо изучить меры безопасности, устройство, подготовку и порядок установки агрегатов по данному руководству.
- Распаковать агрегат. В мотор-редукторах транспортные заглушки заменить на рабочие.
- Подготовить отверстия в перекрытии под выпускные воронки.
- Произвести установку агрегата на монтажную раму.
- Смонтировать самотечные трубы для подачи и отвода продукта.
- Присоединить самотеки и подключить агрегат к аспирационной сети.
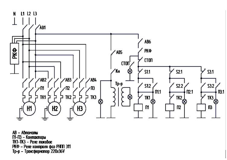
- Произвести электромонтаж и заземление агрегата согласно предлагаемой схеме (рис. 2 в галерее). При этом провода цепи защиты должны иметь наружную изоляцию желто-зеленого цвета или метки соответствующих цветов по всей длине проводов. Фазные провода не должны быть голубого или желто-зеленного цвета.
- Автоматические выключатели, магнитные пускатели установить в электрическом шкафу, кнопочные посты установить рядом с агрегатом на высоте не более 1500 мм от пола.
- Подключить концевые выключатели к цепи мотор-редуктора барабана, убедиться, что цепь размыкается при открытии передней крышки.
- Проверить сопротивление изоляции обмоток электродвигателей, которое должно быть не менее 1 МОм;
- Проверить электрическое сопротивление цепи защитного заземления, которое должно быть не более 0,1 Ом.
- Убедиться в том, что все резьбовые соединения затянуты хорошо (в том числе фундаментных болтов), вал ситового барабана легко проворачивается от руки, подшипники хорошо смазаны, посторонние предметы убраны с машины и из нее.
- Проверить направления вращения электропривода шнека и ситового барабана, согласно указанной маркировке.
- Пуск оборудования в работу после остановок на техническое обслуживание может быть осуществлен при условии проверки исправности этого оборудования.
- Пуск вновь установленного оборудования, а также оборудования после ремонта разрешается главным инженером предприятия.
Предварительно оборудование должно пройти проверку:
- правильности сборки и надежности закрепления крепежных деталей;
- отсутствия в оборудовании посторонних предметов;
- работы систем смазки;
- наличия ограждений, их исправности и соответствия действующим правилам;
- исправности запорных и герметизирующих устройств, люков, крышек, дверок;
- соответствия установки теплового реле и магнитного пускателя номинальному току электродвигателя;
- наличия и исправности блокировочных и контрольных устройств.
- Провести обкатку агрегата на холостом ходу. При этом производится проверка правильности взаимодействия деталей, узлов агрегата, надежности резьбовых креплений, сбалансированности конструкции и температуры нагрева корпуса подшипников, которая не должна превышать 65°С.
- При обнаружении каких-либо неисправностей или несвойственных работе агрегата шума, стука, вибрации следует немедленно его остановить, выявить и устранить их причину.
- По завершении обкатки на холостом ходу необходимо проверить надежность затяжки всех резьбовых соединений. После этого, можно запускать агрегат в работу.
- После двухчасовой непрерывной работы на холостом ходу агрегат можно загрузить продуктом, постепенно нагружая до паспортной производительности.
- После 8 часов работы, необходимо повторно проверить затяжку резьбовых соединений.
|
Производительность, т/ч
|
100 |
|
Извлечение сорных примесей, %
|
98 |
|
Тип используемых решет
|
740*990 |
|
Диаметр выгрузного шнека, мм, не более
|
200 |
|
Шаг шнеков, мм
|
200 |
|
Частота вращения вала шнека, об/мин
|
140 |
|
Тип вентилятора
|
радиальный d 725 |
|
Аэродинамическое сопротивление
|
500 |
|
Масса, кг
|
1925 |
|
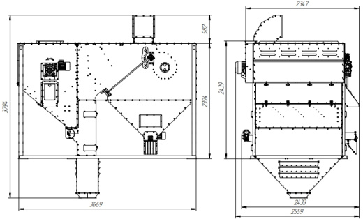
Размер (ШxВxГ), мм
|
2558 х 2445 х 4127 |